土壤电导率传感器使用注意事项:多个传感器同时工作时,需间隔5米以上距离【型号推荐:TH-TY485,云境天合厂家直供发货,精选品牌认证品质保障】当多个云境天合土壤电导率传感器同时工作时,需间隔5米以上距离。这是因为土壤电导率传感器在测量过程中会形成特定的电磁场,若传感器之间距离过近,电磁场会相互干扰,影响测量数据的准确性,导致结果偏差较大。此外,在安装时,要保证传感器与土壤紧密接触,减少空气间隙。还要避开强电磁干扰源,如大型电机、高压线等。使用过程中,定期检查传感器状态,若有损坏或异常,及时维修或更换,以确保测量工作的正常开展。

一、技术指标
1.供电:DC12V
2.功耗:小于0.1W
3.工作温度:-30~70℃
4.通信接口:RS485
5.工作电流:8mA DC12V
6.最短数据间隔:60S
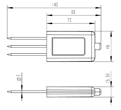
二、产品尺寸图

三、使用注意事项
1.传感器安装应严格按照安装使用说明书进行。
2.多个传感器同时工作时,必须间隔5米以上距离。
3.传感器测量原理限制,传感器测量地为中心半径5米范围内不应有电磁线缆和强磁辐射干扰,
避免造成传感器测量的巨大误差和损坏。
4.传感器的安装环境应该符合传感器的测量范围,避免超量程等不规范行为。
5.传感器安装应避开强酸强碱、重油污重金属环境进行。
6.传感器为土壤测量传感器,禁止将本传感器对其他行为。
7.传感器安装环境不能有强振动。
8.传感器不能有过强外力作用。
9.禁止拆卸,私自拆卸将不提供任何服务。
10.传感器探针较为锋利,使用时应按规定注意佩戴护具。
11.设备使用和维护应严格按照上述注意事项进行,如有违规使用的行为,本司不承担相关负责。
四、传感器参数
| 参数 | 测量范围 | 精度 | 分辨率 | 单位 |
| 土壤电导率 | 0~20000 | ±3%(15℃,0~10000us/cm)±5%(全量程) | 1 | us/cm |
| 土壤含盐量 | 0~12800 | ±3% | 1 | mg/L |
电话
微信扫一扫